李工:138-8949-5179 刘工:135-0428-8802
型号查询
轴承型号   常见搜索: 617轴承 6005轴承 6001轴承 6028轴承 6026轴承 6205轴承
型号查询 X

轴承专区

Bearings Center

2 x 7205 BECBM *轴承-SKF 2 x 7205 BECBM *轴承尺寸、图纸、价格

SKF 2 x 7205 BECBM *轴承

产品名称:2 x 7205 BECBM *轴承 品牌:SKF
类型:SKF轴承 > 滚动轴承 > 角接触球轴承
描述:2 x 7205 BECBM *轴承是【SKF轴承 > 滚动轴承 > 角接触球轴承】的型号,主要用在农业机械、空气压缩机、减速装置、大型农业机械、造纸机械、汽车转向销、钢铁厂、医药设备、掘进机、刮泥机等各大领域

 电话/微信:138-8949-5179

SKF 2 x 7205 BECBM *轴承详细信息

2 x 7205 BECBM *轴承是【SKF轴承 > 滚动轴承 > 角接触球轴承】的型号,主要用在农业机械、空气压缩机、减速装置、大型农业机械、造纸机械、汽车转向销、钢铁厂、医药设备、掘进机、刮泥机等各大领域。

SKF 2 x 7205 BECBM *轴承详细参数

角接触球轴承, 单列,用于配对安装, 面对面配对
主要数据尺寸基本负荷额定值疲劳负荷限值额定速度体积型号轴承配对
动态静态参照速度限制速度
dD2BCC0Pu * - SKF Explorer 轴承
mmkNkNr/minkg--
25523025,5200,8513000170000,282 × 7205 BECBM *DF

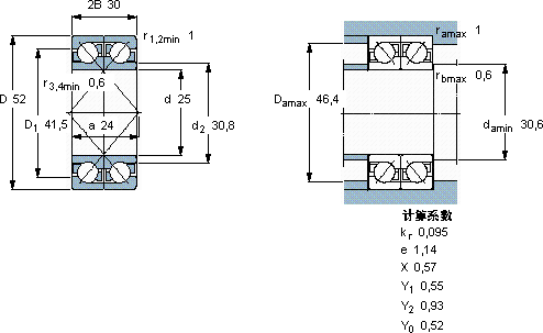
SKF 2 x 7205 BECBM *轴承尺寸图纸

李工:138-8949-5179

刘工:135-0428-8802

地址:辽宁省大连经济技术开发区现代城3栋-13-13号

在线客服系统