李工:138-8949-5179 刘工:135-0428-8802
型号查询
轴承型号   常见搜索: 6014轴承 6214轴承 6010轴承 23136轴承 7014轴承 6017轴承
型号查询 X

轴承专区

Bearings Center

6211 *轴承-SKF 6211 *轴承尺寸、图纸、价格

SKF 6211 *轴承

产品名称:6211 *轴承 品牌:SKF
类型:SKF轴承 > 滚动轴承 > 深沟球轴承
描述:6211 *轴承是【SKF轴承 > 滚动轴承 > 深沟球轴承】的型号,主要用在变速器、各类变速器、中型及大型电动机、铁路车辆、各类产业用减速机、机床等的变速装置、立式电动机、塑料、压路机、机械手等各大领域

 电话/微信:138-8949-5179

SKF 6211 *轴承详细信息

6211 *轴承是【SKF轴承 > 滚动轴承 > 深沟球轴承】的型号,主要用在变速器、各类变速器、中型及大型电动机、铁路车辆、各类产业用减速机、机床等的变速装置、立式电动机、塑料、压路机、机械手等各大领域。

SKF 6211 *轴承详细参数

深沟球轴承, 单列, 无密封件
主要数据尺寸基本负荷额定值疲劳负荷限值额定速度体积型号
动态静态参照速度限制速度
dDBCC0Pu * - SKF Explorer 轴承
mmkNkNr/minkg-
551002146,2291,251400090000,616211 *

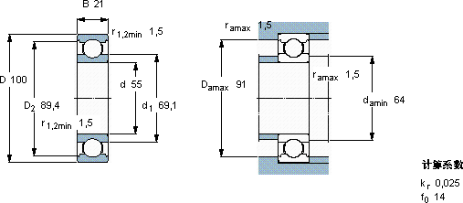
SKF 6211 *轴承尺寸图纸

李工:138-8949-5179

刘工:135-0428-8802

地址:辽宁省大连经济技术开发区现代城3栋-13-13号

在线客服系统