轴承专区
Bearings Center
5205 E轴承-SKF 5205 E轴承尺寸、图纸、价格
SKF 5205 E轴承
| 产品名称: | 5205 E轴承 | 品牌: | SKF |
|---|---|---|---|
| 类型: | SKF轴承 > 滚动轴承 > 角接触球轴承 | ||
| 描述: | 5205 E轴承是【SKF轴承 > 滚动轴承 > 角接触球轴承】的型号,主要用在农业机械、燃汽轮机、泵、后轮、轧钢机辊道子、起重机吊钩、钢铁厂、洗染、强夯机、刮泥机等各大领域 | ||
电话/微信:138-8949-5179
SKF 5205 E轴承详细信息
5205 E轴承是【SKF轴承 > 滚动轴承 > 角接触球轴承】的型号,主要用在农业机械、燃汽轮机、泵、后轮、轧钢机辊道子、起重机吊钩、钢铁厂、洗染、强夯机、刮泥机等各大领域。
SKF 5205 E轴承详细参数
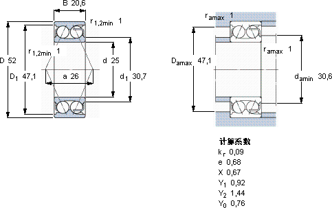
| 角接触球轴承, 双列, 无密封件 | ||||||||||
| 主要数据尺寸 | 基本负荷额定值 | 疲劳负荷限值 | 额定速度 | 体积 | 型号 | |||||
| 动态 | 静态 | 参照速度 | 限制速度 | |||||||
| d | D | B | C | C0 | Pu | |||||
| mm | kN | kN | r/min | kg | - | |||||
| 25 | 52 | 20,6 | 22,9 | 21,2 | 0,9 | 11000 | 12000 | 0,25 | 5205 E | |
SKF 5205 E轴承尺寸图纸

