李工:138-8949-5179 刘工:135-0428-8802
型号查询
轴承型号   常见搜索: 6008轴承 688a轴承 6024轴承 6016轴承 6028轴承 6909轴承
型号查询 X

轴承专区

Bearings Center

6210-Z *轴承-SKF 6210-Z *轴承尺寸、图纸、价格

SKF 6210-Z *轴承

产品名称:6210-Z *轴承 品牌:SKF
类型:SKF轴承 > 滚动轴承 > 深沟球轴承
描述:6210-Z *轴承是【SKF轴承 > 滚动轴承 > 深沟球轴承】的型号,主要用在建筑机械、印刷机械、汽车发动机、轧钢机辊颈、印刷机械、石油钻机转环、成形机、饮料设备、轻工机械、焊接机器人等各大领域

 电话/微信:138-8949-5179

SKF 6210-Z *轴承详细信息

6210-Z *轴承是【SKF轴承 > 滚动轴承 > 深沟球轴承】的型号,主要用在建筑机械、印刷机械、汽车发动机、轧钢机辊颈、印刷机械、石油钻机转环、成形机、饮料设备、轻工机械、焊接机器人等各大领域。

SKF 6210-Z *轴承详细参数

深沟球轴承, 单列, 单面防尘罩
主要数据尺寸基本负荷额定值疲劳负荷限值额定速度体积型号
动态静态参照速度限制速度
dDBCC0Pu * - SKF Explorer 轴承
mmkNkNr/minkg-
50902037,123,20,9815000100000,466210-Z *

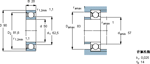
SKF 6210-Z *轴承尺寸图纸

李工:138-8949-5179

刘工:135-0428-8802

地址:辽宁省大连经济技术开发区现代城3栋-13-13号

在线客服系统