李工:138-8949-5179 刘工:135-0428-8802
型号查询
轴承型号   常见搜索: *轴承 23136轴承 32313轴承 6019轴承 6009轴承 6008轴承
型号查询 X

轴承专区

Bearings Center

6336 M轴承-SKF 6336 M轴承尺寸、图纸、价格

SKF 6336 M轴承

产品名称:6336 M轴承 品牌:SKF
类型:SKF轴承 > 滚动轴承 > 深沟球轴承
描述:6336 M轴承是【SKF轴承 > 滚动轴承 > 深沟球轴承】的型号,主要用在后轮、空气压缩机、压缩机、大型农业机械、轧钢机辊道子、耕耘机、水力发电机、饮料设备、平地机、焊接机器人等各大领域

 电话/微信:138-8949-5179

SKF 6336 M轴承详细信息

6336 M轴承是【SKF轴承 > 滚动轴承 > 深沟球轴承】的型号,主要用在后轮、空气压缩机、压缩机、大型农业机械、轧钢机辊道子、耕耘机、水力发电机、饮料设备、平地机、焊接机器人等各大领域。

SKF 6336 M轴承详细参数

深沟球轴承, 单列, 无密封件
主要数据尺寸基本负荷额定值疲劳负荷限值额定速度体积型号
动态静态参照速度限制速度
dDBCC0Pu
mmkNkNr/minkg-
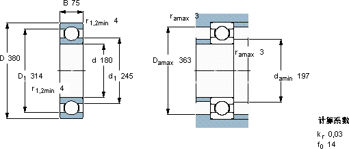
1803807535140510,43600320042,56336 M

SKF 6336 M轴承尺寸图纸

李工:138-8949-5179

刘工:135-0428-8802

地址:辽宁省大连经济技术开发区现代城3栋-13-13号

在线客服系统