轴承专区
Bearings Center
62/22轴承-SKF 62/22轴承尺寸、图纸、价格
SKF 62/22轴承
| 产品名称: | 62/22轴承 | 品牌: | SKF |
|---|---|---|---|
| 类型: | SKF轴承 > 滚动轴承 > 深沟球轴承 | ||
| 描述: | 62/22轴承是【SKF轴承 > 滚动轴承 > 深沟球轴承】的型号,主要用在装卸搬运机械、罗茨鼓风机、汽车发动机、建筑机械、各类产业用减速机、石油钻机转环、矿山、洗染、轻工机械、伽玛等各大领域 | ||
电话/微信:138-8949-5179
SKF 62/22轴承详细信息
62/22轴承是【SKF轴承 > 滚动轴承 > 深沟球轴承】的型号,主要用在装卸搬运机械、罗茨鼓风机、汽车发动机、建筑机械、各类产业用减速机、石油钻机转环、矿山、洗染、轻工机械、伽玛等各大领域。
SKF 62/22轴承详细参数
| 深沟球轴承, 单列, 无密封件 | |||||||||||
| 主要数据尺寸 | 基本负荷额定值 | 疲劳负荷限值 | 额定速度 | 体积 | 型号 | ||||||
| 动态 | 静态 | 参照速度 | 限制速度 | ||||||||
| d | D | B | C | C0 | Pu | ||||||
| mm | kN | kN | r/min | kg | - | ||||||
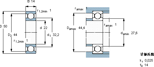
| 22 | 50 | 14 | 14 | 7,65 | 0,325 | 30000 | 19000 | 0,12 | 62/22 | ||
SKF 62/22轴承尺寸图纸

