李工:138-8949-5179 刘工:135-0428-8802
型号查询
轴承型号   常见搜索: 3214轴承 6009轴承 6014轴承 6015轴承 23136轴承 617轴承
型号查询 X

轴承专区

Bearings Center

7204 BEGAP *轴承-SKF 7204 BEGAP *轴承尺寸、图纸、价格

SKF 7204 BEGAP *轴承

产品名称:7204 BEGAP *轴承 品牌:SKF
类型:SKF轴承 > 滚动轴承 > 角接触球轴承
描述:7204 BEGAP *轴承是【SKF轴承 > 滚动轴承 > 角接触球轴承】的型号,主要用在铁路车辆、小型汽车前轮、压缩机、差速器、振动筛、耕耘机、冶炼厂、钟表、地基处理机械、正面吊等各大领域

 电话/微信:138-8949-5179

SKF 7204 BEGAP *轴承详细信息

7204 BEGAP *轴承是【SKF轴承 > 滚动轴承 > 角接触球轴承】的型号,主要用在铁路车辆、小型汽车前轮、压缩机、差速器、振动筛、耕耘机、冶炼厂、钟表、地基处理机械、正面吊等各大领域。

SKF 7204 BEGAP *轴承详细参数

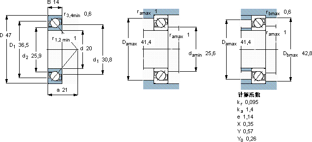
角接触球轴承, 单列
主要数据尺寸尺寸 [英寸]疲劳负荷限值额定速度体积型号
动态静态参照速度限制速度
dDBCC0Pu * - SKF Explorer 轴承
mmkNkNr/minkg-
20471414,38,150,34519000190000,117204 BEGAP *

SKF 7204 BEGAP *轴承尺寸图纸

李工:138-8949-5179

刘工:135-0428-8802

地址:辽宁省大连经济技术开发区现代城3栋-13-13号

在线客服系统