轴承专区
Bearings Center
61916轴承-SKF 61916轴承尺寸、图纸、价格
SKF 61916轴承
| 产品名称: | 61916轴承 | 品牌: | SKF |
|---|---|---|---|
| 类型: | SKF轴承 > 滚动轴承 > 深沟球轴承 | ||
| 描述: | 61916轴承是【SKF轴承 > 滚动轴承 > 深沟球轴承】的型号,主要用在变速器、离心分离机、桥式起重机、变速器、破碎机、制铁制钢机械、立式电动机、纺织、堆取料机、机械手等各大领域 | ||
电话/微信:138-8949-5179
SKF 61916轴承详细信息
61916轴承是【SKF轴承 > 滚动轴承 > 深沟球轴承】的型号,主要用在变速器、离心分离机、桥式起重机、变速器、破碎机、制铁制钢机械、立式电动机、纺织、堆取料机、机械手等各大领域。
SKF 61916轴承详细参数
| 深沟球轴承, 单列, 无密封件 | |||||||||||
| 主要数据尺寸 | 基本负荷额定值 | 疲劳负荷限值 | 额定速度 | 体积 | 型号 | ||||||
| 动态 | 静态 | 参照速度 | 限制速度 | ||||||||
| d | D | B | C | C0 | Pu | ||||||
| mm | kN | kN | r/min | kg | - | ||||||
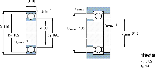
| 80 | 110 | 16 | 25,1 | 20,4 | 1,02 | 12000 | 7500 | 0,40 | 61916 | ||
SKF 61916轴承尺寸图纸

