李工:138-8949-5179 刘工:135-0428-8802
型号查询
轴承型号   常见搜索: 6021轴承 3214轴承 6015轴承 6006轴承 6304轴承 23136轴承
型号查询 X

轴承专区

Bearings Center

KMFE 19L轴承-SKF KMFE 19L轴承尺寸、图纸、价格

SKF KMFE 19L轴承

产品名称:KMFE 19L轴承 品牌:SKF
类型:SKF轴承 > 滚动轴承 > 轴承附件
描述:KMFE 19L轴承是【SKF轴承 > 滚动轴承 > 轴承附件】的型号,主要用在仪表、差速器小齿轮轴、纺织机械传动轴、小齿轮轴、轧钢机齿轮箱座、机床主轴、碾煤机、薄膜拉伸、挖掘机、钢包回转台等各大领域

 电话/微信:138-8949-5179

SKF KMFE 19L轴承详细信息

KMFE 19L轴承是【SKF轴承 > 滚动轴承 > 轴承附件】的型号,主要用在仪表、差速器小齿轮轴、纺织机械传动轴、小齿轮轴、轧钢机齿轮箱座、机床主轴、碾煤机、薄膜拉伸、挖掘机、钢包回转台等各大领域。

SKF KMFE 19L轴承详细参数

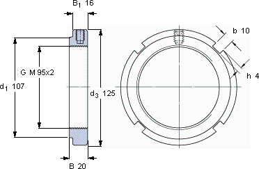
带锁紧螺钉的KMFE锁紧定螺母
螺纹尺寸尺寸轴向负荷体积 型号平头螺钉
承载能力 锁定螺母适宜的板手尺寸推荐的紧固扭矩
d3BG静态
-mm-kNkg--Nm
9512520M 95x22360,65KMFE 19LHN 18-20M 818

SKF KMFE 19L轴承尺寸图纸

李工:138-8949-5179

刘工:135-0428-8802

地址:辽宁省大连经济技术开发区现代城3栋-13-13号

在线客服系统