李工:138-8949-5179 刘工:135-0428-8802
型号查询
轴承型号   常见搜索: 6004轴承 2026轴承 6021轴承 6026轴承 6012轴承 6007轴承
型号查询 X

轴承专区

Bearings Center

61907-2RS1轴承-SKF 61907-2RS1轴承尺寸、图纸、价格

SKF 61907-2RS1轴承

产品名称:61907-2RS1轴承 品牌:SKF
类型:SKF轴承 > 滚动轴承 > 深沟球轴承
描述:61907-2RS1轴承是【SKF轴承 > 滚动轴承 > 深沟球轴承】的型号,主要用在铁路车辆、空气压缩机、压缩机、大型农业机械、振动筛、汽车转向销、冶炼厂、玩具、土方机械、吹氧装置等各大领域

 电话/微信:138-8949-5179

SKF 61907-2RS1轴承详细信息

61907-2RS1轴承是【SKF轴承 > 滚动轴承 > 深沟球轴承】的型号,主要用在铁路车辆、空气压缩机、压缩机、大型农业机械、振动筛、汽车转向销、冶炼厂、玩具、土方机械、吹氧装置等各大领域。

SKF 61907-2RS1轴承详细参数

深沟球轴承, 单列, 两面密封件
主要数据尺寸基本负荷额定值疲劳负荷限值额定速度体积型号
动态静态参照速度限制速度
dDBCC0Pu
mmkNkNr/minkg-
3555109,566,80,29-75000,08061907-2RS1

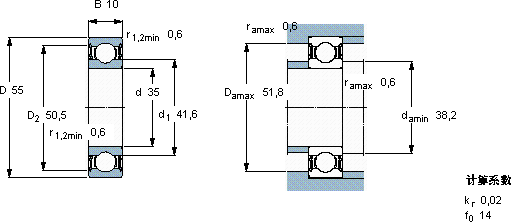
SKF 61907-2RS1轴承尺寸图纸

李工:138-8949-5179

刘工:135-0428-8802

地址:辽宁省大连经济技术开发区现代城3栋-13-13号

在线客服系统