李工:138-8949-5179 刘工:135-0428-8802
型号查询
轴承型号   常见搜索: 22222轴承 688a轴承 6014轴承 6032轴承 6021轴承 2026轴承
型号查询 X

轴承专区

Bearings Center

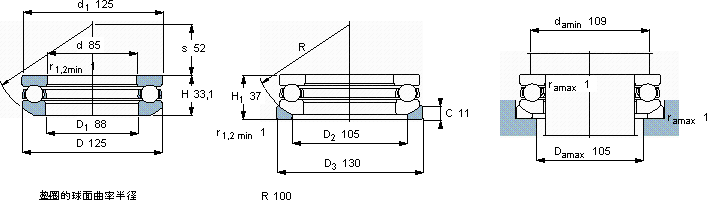
53217轴承-SKF 53217轴承尺寸、图纸、价格

SKF 53217轴承

产品名称:53217轴承 品牌:SKF
类型:SKF轴承 > 滚动轴承 > 推力球轴承
描述:53217轴承是【SKF轴承 > 滚动轴承 > 推力球轴承】的型号,主要用在后轮、燃汽轮机、汽车发动机、后轮、振动筛、石油钻机、水力发电机、钟表、给料机械、焊接机器人等各大领域

 电话/微信:138-8949-5179

SKF 53217轴承详细信息

53217轴承是【SKF轴承 > 滚动轴承 > 推力球轴承】的型号,主要用在后轮、燃汽轮机、汽车发动机、后轮、振动筛、石油钻机、水力发电机、钟表、给料机械、焊接机器人等各大领域。

SKF 53217轴承详细参数

推力球轴承, 单向,带球面轴承座垫圈
主要数据尺寸基本负荷额定值疲劳负荷限值最小负荷系数额定速度体积 型号
动态静态参照速度限制速度轴承 +垫圈轴承基座垫圈
dDH1CC0PuA
mmkNkN-r/minkg-
851253797,52759,80,39220030001,5053217U 217

SKF 53217轴承尺寸图纸

李工:138-8949-5179

刘工:135-0428-8802

地址:辽宁省大连经济技术开发区现代城3栋-13-13号

在线客服系统