李工:138-8949-5179 刘工:135-0428-8802
型号查询
轴承型号   常见搜索: 6006轴承 6305轴承 6001轴承 6030轴承 6205轴承 6028轴承
型号查询 X

轴承专区

Bearings Center

61803-2Z轴承-SKF 61803-2Z轴承尺寸、图纸、价格

SKF 61803-2Z轴承

产品名称:61803-2Z轴承 品牌:SKF
类型:SKF轴承 > 滚动轴承 > 深沟球轴承
描述:61803-2Z轴承是【SKF轴承 > 滚动轴承 > 深沟球轴承】的型号,主要用在内燃机、油泵、桥式起重机、机床主轴、振动筛、起重机吊钩、挤压机、玩具、强夯机、抓钢机等各大领域

 电话/微信:138-8949-5179

SKF 61803-2Z轴承详细信息

61803-2Z轴承是【SKF轴承 > 滚动轴承 > 深沟球轴承】的型号,主要用在内燃机、油泵、桥式起重机、机床主轴、振动筛、起重机吊钩、挤压机、玩具、强夯机、抓钢机等各大领域。

SKF 61803-2Z轴承详细参数

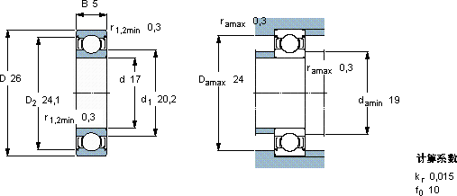
深沟球轴承, 单列, 两面防尘罩
主要数据尺寸基本负荷额定值疲劳负荷限值额定速度体积型号
动态静态参照速度限制速度
dDBCC0Pu
mmkNkNr/minkg-
172651,680,930,03956000280000,008261803-2Z

SKF 61803-2Z轴承尺寸图纸

李工:138-8949-5179

刘工:135-0428-8802

地址:辽宁省大连经济技术开发区现代城3栋-13-13号

在线客服系统