李工:138-8949-5179 刘工:135-0428-8802
型号查询
轴承型号   常见搜索: 6309轴承 6028轴承 6005轴承 6214轴承 6006轴承 6026轴承
型号查询 X

轴承专区

Bearings Center

2205 E-2RS1 KTN9 + H 305 C轴承-SKF 2205 E-2RS1 KTN9 + H 305 C轴承尺寸、图纸、价格

SKF 2205 E-2RS1 KTN9 + H 305 C轴承

产品名称:2205 E-2RS1 KTN9 + H 305 C轴承 品牌:SKF
类型:SKF轴承 > 滚动轴承 > 自调心球轴承
描述:2205 E-2RS1 KTN9 + H 305 C轴承是【SKF轴承 > 滚动轴承 > 自调心球轴承】的型号,主要用在装卸搬运机械、罗茨鼓风机、木工机械、建筑机械、轧钢机齿轮箱座、制铁制钢机械、矿山、洗染、起重机械、伽玛等各大领域

 电话/微信:138-8949-5179

SKF 2205 E-2RS1 KTN9 + H 305 C轴承详细信息

2205 E-2RS1 KTN9 + H 305 C轴承是【SKF轴承 > 滚动轴承 > 自调心球轴承】的型号,主要用在装卸搬运机械、罗茨鼓风机、木工机械、建筑机械、轧钢机齿轮箱座、制铁制钢机械、矿山、洗染、起重机械、伽玛等各大领域。

SKF 2205 E-2RS1 KTN9 + H 305 C轴承详细参数

自调心球轴承, 带紧定套, 两面密封件
主要数据尺寸基本负荷额定值疲劳负荷限值额定速度体积型号
动态静态参照速度限制速度轴承 + 紧定套
d1DBCC0Pu
mmkNkNr/minkg-
20521814,340,21-90000,232205 E-2RS1 KTN9 + H 305 C

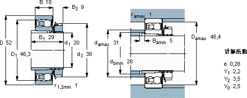
SKF 2205 E-2RS1 KTN9 + H 305 C轴承尺寸图纸

李工:138-8949-5179

刘工:135-0428-8802

地址:辽宁省大连经济技术开发区现代城3栋-13-13号

在线客服系统