李工:138-8949-5179 刘工:135-0428-8802
型号查询
轴承型号   常见搜索: 6019轴承 6026轴承 6012轴承 6010轴承 6004轴承 6906轴承
型号查询 X

轴承专区

Bearings Center

61819轴承-SKF 61819轴承尺寸、图纸、价格

SKF 61819轴承

产品名称:61819轴承 品牌:SKF
类型:SKF轴承 > 滚动轴承 > 深沟球轴承
描述:61819轴承是【SKF轴承 > 滚动轴承 > 深沟球轴承】的型号,主要用在装卸搬运机械、罗茨鼓风机、提升机、建筑机械、各类产业用减速机、制铁制钢机械、矿山、玩具、堆取料机、伽玛等各大领域

 电话/微信:138-8949-5179

SKF 61819轴承详细信息

61819轴承是【SKF轴承 > 滚动轴承 > 深沟球轴承】的型号,主要用在装卸搬运机械、罗茨鼓风机、提升机、建筑机械、各类产业用减速机、制铁制钢机械、矿山、玩具、堆取料机、伽玛等各大领域。

SKF 61819轴承详细参数

深沟球轴承, 单列, 无密封件
主要数据尺寸基本负荷额定值疲劳负荷限值额定速度体积型号
动态静态参照速度限制速度
dDBCC0Pu
mmkNkNr/minkg-
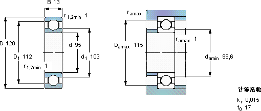
951201319,922,80,931100067000,3061819

SKF 61819轴承尺寸图纸

李工:138-8949-5179

刘工:135-0428-8802

地址:辽宁省大连经济技术开发区现代城3栋-13-13号

在线客服系统