李工:138-8949-5179 刘工:135-0428-8802
型号查询
轴承型号   常见搜索: 6305轴承 6006轴承 *轴承 6008轴承 6003轴承 6024轴承
型号查询 X

轴承专区

Bearings Center

61818轴承-SKF 61818轴承尺寸、图纸、价格

SKF 61818轴承

产品名称:61818轴承 品牌:SKF
类型:SKF轴承 > 滚动轴承 > 深沟球轴承
描述:61818轴承是【SKF轴承 > 滚动轴承 > 深沟球轴承】的型号,主要用在电气装置部件、燃料喷射泵、中型及大型电动机、齿轮减速装置、木工机械、起重机吊钩、船舶用螺旋桨轴、精细化工机械、专用车、伽玛等各大领域

 电话/微信:138-8949-5179

SKF 61818轴承详细信息

61818轴承是【SKF轴承 > 滚动轴承 > 深沟球轴承】的型号,主要用在电气装置部件、燃料喷射泵、中型及大型电动机、齿轮减速装置、木工机械、起重机吊钩、船舶用螺旋桨轴、精细化工机械、专用车、伽玛等各大领域。

SKF 61818轴承详细参数

深沟球轴承, 单列, 无密封件
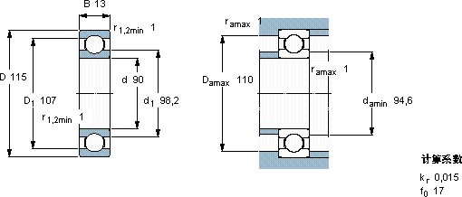
主要数据尺寸基本负荷额定值疲劳负荷限值额定速度体积型号
动态静态参照速度限制速度
dDBCC0Pu
mmkNkNr/minkg-
901151319,5220,9151100070000,2861818

SKF 61818轴承尺寸图纸

李工:138-8949-5179

刘工:135-0428-8802

地址:辽宁省大连经济技术开发区现代城3栋-13-13号

在线客服系统