李工:138-8949-5179 刘工:135-0428-8802
型号查询
轴承型号   常见搜索: 6011轴承 6001轴承 6024轴承 6013轴承 6019轴承 6003轴承
型号查询 X

轴承专区

Bearings Center

230/850 CAK/W33 + OH 30/850 H轴承-SKF 230/850 CAK/W33 + OH 30/850 H轴承尺寸、图纸、价格

SKF 230/850 CAK/W33 + OH 30/850 H轴承

产品名称:230/850 CAK/W33 + OH 30/850 H轴承 品牌:SKF
类型:SKF轴承 > 滚动轴承 > 球面滚子轴承
描述:230/850 CAK/W33 + OH 30/850 H轴承是【SKF轴承 > 滚动轴承 > 球面滚子轴承】的型号,主要用在各种产业机械、差速器小齿轮轴、纺织机械传动轴、小齿轮轴、减速装置、机床主轴、发电厂、洗染、挖掘机、雷达等各大领域

 电话/微信:138-8949-5179

SKF 230/850 CAK/W33 + OH 30/850 H轴承详细信息

230/850 CAK/W33 + OH 30/850 H轴承是【SKF轴承 > 滚动轴承 > 球面滚子轴承】的型号,主要用在各种产业机械、差速器小齿轮轴、纺织机械传动轴、小齿轮轴、减速装置、机床主轴、发电厂、洗染、挖掘机、雷达等各大领域。

SKF 230/850 CAK/W33 + OH 30/850 H轴承详细参数

球面滚子轴承, 带紧定套的
主要数据尺寸基本负荷额定值疲劳负荷限值额定速度体积型号
动态静态参照速度限制速度轴承 + 紧定套
d1DBCC0Pu
mmkNkNr/minkg-
800122027293702160012702404501390230/850 CAK/W33 + OH 30/850 H

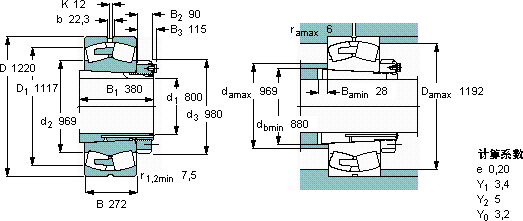
SKF 230/850 CAK/W33 + OH 30/850 H轴承尺寸图纸

李工:138-8949-5179

刘工:135-0428-8802

地址:辽宁省大连经济技术开发区现代城3栋-13-13号

在线客服系统