李工:138-8949-5179 刘工:135-0428-8802
型号查询
轴承型号   常见搜索: 6015轴承 6304轴承 22222轴承 688a轴承 6909轴承 6006轴承
型号查询 X

轴承专区

Bearings Center

61803-2RZ轴承-SKF 61803-2RZ轴承尺寸、图纸、价格

SKF 61803-2RZ轴承

产品名称:61803-2RZ轴承 品牌:SKF
类型:SKF轴承 > 滚动轴承 > 深沟球轴承
描述:61803-2RZ轴承是【SKF轴承 > 滚动轴承 > 深沟球轴承】的型号,主要用在仪表、差速器小齿轮轴、提升机、小齿轮轴、破碎机、机床等的变速装置、碾煤机、薄膜拉伸、压路机、钢包回转台等各大领域

 电话/微信:138-8949-5179

SKF 61803-2RZ轴承详细信息

61803-2RZ轴承是【SKF轴承 > 滚动轴承 > 深沟球轴承】的型号,主要用在仪表、差速器小齿轮轴、提升机、小齿轮轴、破碎机、机床等的变速装置、碾煤机、薄膜拉伸、压路机、钢包回转台等各大领域。

SKF 61803-2RZ轴承详细参数

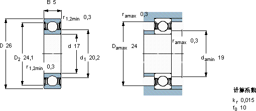
深沟球轴承, 单列, 低摩擦两面密封件
主要数据尺寸基本负荷额定值疲劳负荷限值额定速度体积型号
动态静态参照速度限制速度
dDBCC0Pu
mmkNkNr/minkg-
172651,680,930,03956000280000,008261803-2RZ

SKF 61803-2RZ轴承尺寸图纸

李工:138-8949-5179

刘工:135-0428-8802

地址:辽宁省大连经济技术开发区现代城3栋-13-13号

在线客服系统