轴承专区
Bearings Center
351175 C轴承-SKF 351175 C轴承尺寸、图纸、价格
SKF 351175 C轴承
| 产品名称: | 351175 C轴承 | 品牌: | SKF |
|---|---|---|---|
| 类型: | SKF轴承 > 滚动轴承 > 圆锥滚子推力轴承 | ||
| 描述: | 351175 C轴承是【SKF轴承 > 滚动轴承 > 圆锥滚子推力轴承】的型号,主要用在家用电器、空气压缩机、桥式起重机、大型农业机械、振动筛、汽车转向销、塔吊、制鞋、土方机械、雷达等各大领域 | ||
电话/微信:138-8949-5179
SKF 351175 C轴承详细信息
351175 C轴承是【SKF轴承 > 滚动轴承 > 圆锥滚子推力轴承】的型号,主要用在家用电器、空气压缩机、桥式起重机、大型农业机械、振动筛、汽车转向销、塔吊、制鞋、土方机械、雷达等各大领域。
SKF 351175 C轴承详细参数
| 圆锥滚子推力轴承, 双向 | ||||||||
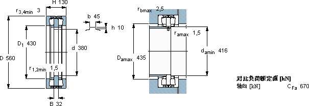
| 主要数据尺寸 | 基本负荷额定值 | 疲劳负荷限值 | 最小负荷系数 | 型号 | ||||
| 动态 | 静态 | |||||||
| d | D | H | C | C0 | Pu | |||
| mm | kN | kN | kg | - | ||||
| 380 | 560 | 130 | 1790 | 10000 | 670 | 110 | 351175 C | |
SKF 351175 C轴承尺寸图纸

