李工:138-8949-5179 刘工:135-0428-8802
型号查询
轴承型号   常见搜索: 6906轴承 6205轴承 6900轴承 6007轴承 2026轴承 23136轴承
型号查询 X

轴承专区

Bearings Center

618/1700 MB轴承-SKF 618/1700 MB轴承尺寸、图纸、价格

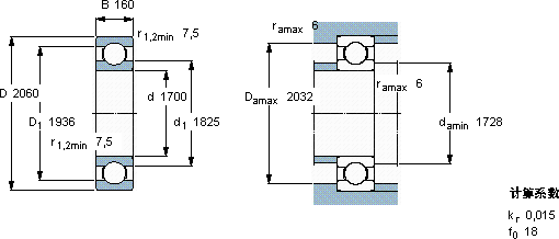
SKF 618/1700 MB轴承

产品名称:618/1700 MB轴承 品牌:SKF
类型:SKF轴承 > 滚动轴承 > 深沟球轴承
描述:618/1700 MB轴承是【SKF轴承 > 滚动轴承 > 深沟球轴承】的型号,主要用在建筑机械、离心分离机、减速装置、变速器、各类产业用减速机、制铁制钢机械、成形机、塑料、堆取料机、港口起重机等各大领域

 电话/微信:138-8949-5179

SKF 618/1700 MB轴承详细信息

618/1700 MB轴承是【SKF轴承 > 滚动轴承 > 深沟球轴承】的型号,主要用在建筑机械、离心分离机、减速装置、变速器、各类产业用减速机、制铁制钢机械、成形机、塑料、堆取料机、港口起重机等各大领域。

SKF 618/1700 MB轴承详细参数

深沟球轴承, 单列, 无密封件
主要数据尺寸基本负荷额定值疲劳负荷限值额定速度体积型号
动态静态参照速度限制速度
dDBCC0Pu
mmkNkNr/minkg-
1700206016012704900483002401100618/1700 MB

SKF 618/1700 MB轴承尺寸图纸

李工:138-8949-5179

刘工:135-0428-8802

地址:辽宁省大连经济技术开发区现代城3栋-13-13号

在线客服系统