李工:138-8949-5179 刘工:135-0428-8802
型号查询
轴承型号   常见搜索: 6012轴承 6017轴承 6018轴承 6019轴承 6001轴承 6020轴承
型号查询 X

轴承专区

Bearings Center

7244 BCBM轴承-SKF 7244 BCBM轴承尺寸、图纸、价格

SKF 7244 BCBM轴承

产品名称:7244 BCBM轴承 品牌:SKF
类型:SKF轴承 > 滚动轴承 > 角接触球轴承
描述:7244 BCBM轴承是【SKF轴承 > 滚动轴承 > 角接触球轴承】的型号,主要用在建筑机械、差速器小齿轮轴、发电机、小齿轮轴、各类产业用减速机、机床等的变速装置、成形机、饮料设备、工程船舶、焊接机器人等各大领域

 电话/微信:138-8949-5179

SKF 7244 BCBM轴承详细信息

7244 BCBM轴承是【SKF轴承 > 滚动轴承 > 角接触球轴承】的型号,主要用在建筑机械、差速器小齿轮轴、发电机、小齿轮轴、各类产业用减速机、机床等的变速装置、成形机、饮料设备、工程船舶、焊接机器人等各大领域。

SKF 7244 BCBM轴承详细参数

角接触球轴承, 单列
主要数据尺寸尺寸 [英寸]疲劳负荷限值额定速度体积型号
动态静态参照速度限制速度
dDBCC0Pu
mmkNkNr/minkg-
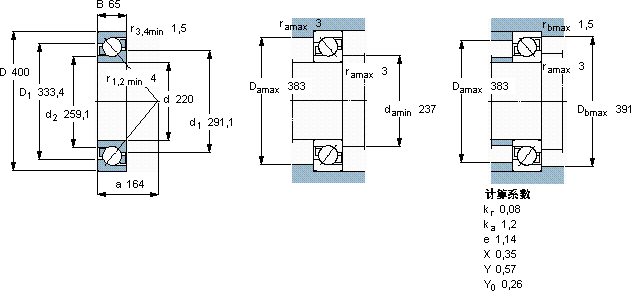
2204006539056013,41800180035,27244 BCBM

SKF 7244 BCBM轴承尺寸图纸

李工:138-8949-5179

刘工:135-0428-8802

地址:辽宁省大连经济技术开发区现代城3栋-13-13号

在线客服系统