轴承专区
Bearings Center
BS2B 242989轴承-SKF BS2B 242989轴承尺寸、图纸、价格
SKF BS2B 242989轴承
| 产品名称: | BS2B 242989轴承 | 品牌: | SKF |
|---|---|---|---|
| 类型: | SKF轴承 > 滚动轴承 > 球面滚子轴承 | ||
| 描述: | BS2B 242989轴承是【SKF轴承 > 滚动轴承 > 球面滚子轴承】的型号,主要用在铁路车辆、油泵、减速装置、机床主轴、木工机械、起重机吊钩、冶炼厂、医药设备、强夯机、机械手等各大领域 | ||
电话/微信:138-8949-5179
SKF BS2B 242989轴承详细信息
BS2B 242989轴承是【SKF轴承 > 滚动轴承 > 球面滚子轴承】的型号,主要用在铁路车辆、油泵、减速装置、机床主轴、木工机械、起重机吊钩、冶炼厂、医药设备、强夯机、机械手等各大领域。
SKF BS2B 242989轴承详细参数
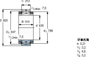
| 球面滚子轴承, 剖分式 | |||||||||
| 主要数据尺寸 | 基本负荷额定值 | 疲劳负荷限值 | 体积 | 型号 | |||||
| 动态 | 静态 | ||||||||
| d | D | B | C | C | C0 | Pu | |||
| mm | kN | kN | kg | - | |||||
| 630 | 920 | 310 | 212 | 5640 | 12000 | 570 | 630 | BS2B 242989 | |
SKF BS2B 242989轴承尺寸图纸

