李工:138-8949-5179 刘工:135-0428-8802
型号查询
轴承型号   常见搜索: 22222轴承 6909轴承 7014轴承 23136轴承 6021轴承 6001轴承
型号查询 X

轴承专区

Bearings Center

3310 A/W64 *轴承-SKF 3310 A/W64 *轴承尺寸、图纸、价格

SKF 3310 A/W64 *轴承

产品名称:3310 A/W64 *轴承 品牌:SKF
类型:SKF轴承 > 滚动轴承 > 角接触球轴承
描述:3310 A/W64 *轴承是【SKF轴承 > 滚动轴承 > 角接触球轴承】的型号,主要用在通用电动机、差速器小齿轮轴、燃汽轮机、小齿轮轴、轧钢机齿轮箱座、机床等的变速装置、轧钢机轧制螺杆用减速机、精细化工机械、压路机、刮泥机等各大领域

 电话/微信:138-8949-5179

SKF 3310 A/W64 *轴承详细信息

3310 A/W64 *轴承是【SKF轴承 > 滚动轴承 > 角接触球轴承】的型号,主要用在通用电动机、差速器小齿轮轴、燃汽轮机、小齿轮轴、轧钢机齿轮箱座、机床等的变速装置、轧钢机轧制螺杆用减速机、精细化工机械、压路机、刮泥机等各大领域。

SKF 3310 A/W64 *轴承详细参数

角接触球轴承, 双列, 含Solid Oil
主要数据尺寸基本负荷额定值疲劳负荷限值限制速度体积型号
动态静态
dDBCC0Pu * - SKF Explorer 轴承
mmkNkNr/minkg-
5011044,490642,7518001,953310 A/W64 *

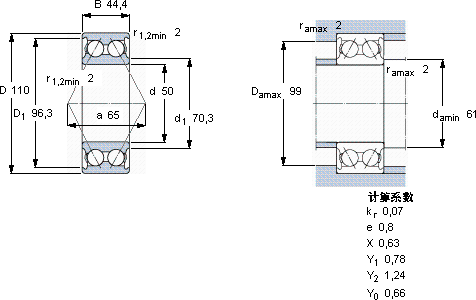
SKF 3310 A/W64 *轴承尺寸图纸

李工:138-8949-5179

刘工:135-0428-8802

地址:辽宁省大连经济技术开发区现代城3栋-13-13号

在线客服系统