李工:138-8949-5179 刘工:135-0428-8802
型号查询
轴承型号   常见搜索: 6002轴承 6009轴承 2026轴承 1轴承 6030轴承 6013轴承
型号查询 X

轴承专区

Bearings Center

6007-2RZTN9/HC5C3WT轴承-SKF 6007-2RZTN9/HC5C3WT轴承尺寸、图纸、价格

SKF 6007-2RZTN9/HC5C3WT轴承

产品名称:6007-2RZTN9/HC5C3WT轴承 品牌:SKF
类型:SKF轴承 > 滚动轴承 > 工程产品
描述:6007-2RZTN9/HC5C3WT轴承是【SKF轴承 > 滚动轴承 > 工程产品】的型号,主要用在装卸搬运机械、各类变速器、桥式起重机、铁路车辆、印刷机械、机床主轴、矿山、破碎、挖掘机、摩天轮等各大领域

 电话/微信:138-8949-5179

SKF 6007-2RZTN9/HC5C3WT轴承详细信息

6007-2RZTN9/HC5C3WT轴承是【SKF轴承 > 滚动轴承 > 工程产品】的型号,主要用在装卸搬运机械、各类变速器、桥式起重机、铁路车辆、印刷机械、机床主轴、矿山、破碎、挖掘机、摩天轮等各大领域。

SKF 6007-2RZTN9/HC5C3WT轴承详细参数

深沟球轴承, 单列陶瓷混合轴承, 低摩擦两面密封件
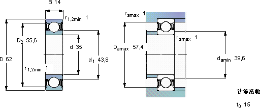
主要数据尺寸基本负荷额定值疲劳负荷限值额定速度体积型号
动态静态参照速度限制速度
dDBCC0Pu
mmkNkNr/minkg-
35621416,810,20,4430000200000,156007-2RZTN9/HC5C3WT

SKF 6007-2RZTN9/HC5C3WT轴承尺寸图纸

李工:138-8949-5179

刘工:135-0428-8802

地址:辽宁省大连经济技术开发区现代城3栋-13-13号

在线客服系统