李工:138-8949-5179 刘工:135-0428-8802
型号查询
轴承型号   常见搜索: 6018轴承 6017轴承 32313轴承 2025轴承 6019轴承 6032轴承
型号查询 X

轴承专区

Bearings Center

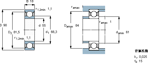
6011-2Z *轴承-SKF 6011-2Z *轴承尺寸、图纸、价格

SKF 6011-2Z *轴承

产品名称:6011-2Z *轴承 品牌:SKF
类型:SKF轴承 > 滚动轴承 > 深沟球轴承
描述:6011-2Z *轴承是【SKF轴承 > 滚动轴承 > 深沟球轴承】的型号,主要用在飞机喷气式发动机、油泵、压缩机、机床主轴、振动筛、石油钻机、燃机、破碎、解体机、坦克等各大领域

 电话/微信:138-8949-5179

SKF 6011-2Z *轴承详细信息

6011-2Z *轴承是【SKF轴承 > 滚动轴承 > 深沟球轴承】的型号,主要用在飞机喷气式发动机、油泵、压缩机、机床主轴、振动筛、石油钻机、燃机、破碎、解体机、坦克等各大领域。

SKF 6011-2Z *轴承详细参数

深沟球轴承, 单列, 两面防尘罩
主要数据尺寸基本负荷额定值疲劳负荷限值额定速度体积型号
动态静态参照速度限制速度
dDBCC0Pu * - SKF Explorer 轴承
mmkNkNr/minkg-
55901829,621,20,91600080000,396011-2Z *

SKF 6011-2Z *轴承尺寸图纸

李工:138-8949-5179

刘工:135-0428-8802

地址:辽宁省大连经济技术开发区现代城3栋-13-13号

在线客服系统