李工:138-8949-5179 刘工:135-0428-8802
型号查询
轴承型号   常见搜索: 6003轴承 22222轴承 23136轴承 6020轴承 6305轴承 6007轴承
型号查询 X

轴承专区

Bearings Center

60/500 N1MAS轴承-SKF 60/500 N1MAS轴承尺寸、图纸、价格

SKF 60/500 N1MAS轴承

产品名称:60/500 N1MAS轴承 品牌:SKF
类型:SKF轴承 > 滚动轴承 > 深沟球轴承
描述:60/500 N1MAS轴承是【SKF轴承 > 滚动轴承 > 深沟球轴承】的型号,主要用在飞机喷气式发动机、空气压缩机、燃汽轮机、大型农业机械、造纸机械、耕耘机、燃机、音像设备、平地机、钢包回转台等各大领域

 电话/微信:138-8949-5179

SKF 60/500 N1MAS轴承详细信息

60/500 N1MAS轴承是【SKF轴承 > 滚动轴承 > 深沟球轴承】的型号,主要用在飞机喷气式发动机、空气压缩机、燃汽轮机、大型农业机械、造纸机械、耕耘机、燃机、音像设备、平地机、钢包回转台等各大领域。

SKF 60/500 N1MAS轴承详细参数

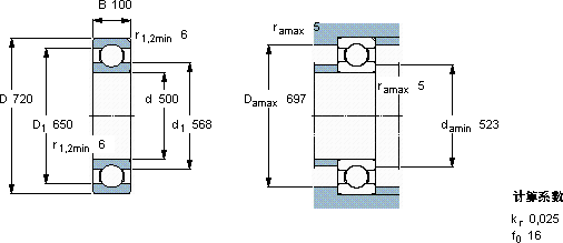
深沟球轴承, 单列, 于外圈的一个带定位槽
主要数据尺寸基本负荷额定值疲劳负荷限值额定速度体积型号
动态静态参照速度限制速度
dDBCC0Pu
mmkNkNr/minkg-
500720100605114019,61600130013560/500 N1MAS

SKF 60/500 N1MAS轴承尺寸图纸

李工:138-8949-5179

刘工:135-0428-8802

地址:辽宁省大连经济技术开发区现代城3栋-13-13号

在线客服系统