李工:138-8949-5179 刘工:135-0428-8802
型号查询
轴承型号   常见搜索: 71913轴承 6008轴承 6011轴承 6001轴承 6019轴承 6032轴承
型号查询 X

轴承专区

Bearings Center

NNU 6934 V轴承-SKF NNU 6934 V轴承尺寸、图纸、价格

SKF NNU 6934 V轴承

产品名称:NNU 6934 V轴承 品牌:SKF
类型:SKF轴承 > 滚动轴承 > 圆柱滚子轴承
描述:NNU 6934 V轴承是【SKF轴承 > 滚动轴承 > 圆柱滚子轴承】的型号,主要用在各种产业机械、高频马达、发电机、前轮、破碎机、机床主轴、发电厂、烟草机械、混凝土机械、冶金起重机等各大领域

 电话/微信:138-8949-5179

SKF NNU 6934 V轴承详细信息

NNU 6934 V轴承是【SKF轴承 > 滚动轴承 > 圆柱滚子轴承】的型号,主要用在各种产业机械、高频马达、发电机、前轮、破碎机、机床主轴、发电厂、烟草机械、混凝土机械、冶金起重机等各大领域。

SKF NNU 6934 V轴承详细参数

圆柱滚子轴承, 多列满装滚子
主要数据尺寸基本负荷额定值疲劳负荷限值额定速度体积型号
动态静态参照速度限制速度
dDBCC0Pu
mmkNkNr/minkg-
170230109765228025040048014,5NNU 6934 V

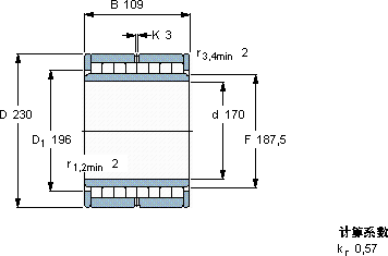
SKF NNU 6934 V轴承尺寸图纸

李工:138-8949-5179

刘工:135-0428-8802

地址:辽宁省大连经济技术开发区现代城3栋-13-13号

在线客服系统