李工:138-8949-5179 刘工:135-0428-8802
型号查询
轴承型号   常见搜索: 6007轴承 2025轴承 71913轴承 7014轴承 23136轴承 6002轴承
型号查询 X

轴承专区

Bearings Center

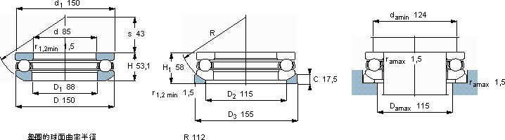
53317轴承-SKF 53317轴承尺寸、图纸、价格

SKF 53317轴承

产品名称:53317轴承 品牌:SKF
类型:SKF轴承 > 滚动轴承 > 推力球轴承
描述:53317轴承是【SKF轴承 > 滚动轴承 > 推力球轴承】的型号,主要用在变速器、离心分离机、变速器、变速器、印刷机械、制铁制钢机械、立式电动机、电子、起重机械、机械手等各大领域

 电话/微信:138-8949-5179

SKF 53317轴承详细信息

53317轴承是【SKF轴承 > 滚动轴承 > 推力球轴承】的型号,主要用在变速器、离心分离机、变速器、变速器、印刷机械、制铁制钢机械、立式电动机、电子、起重机械、机械手等各大领域。

SKF 53317轴承详细参数

推力球轴承, 单向,带球面轴承座垫圈
主要数据尺寸基本负荷额定值疲劳负荷限值最小负荷系数额定速度体积 型号
动态静态参照速度限制速度轴承 +垫圈轴承基座垫圈
dDH1CC0PuA
mmkNkN-r/minkg-
8515058190465161,1160022004,3553317U 317

SKF 53317轴承尺寸图纸

李工:138-8949-5179

刘工:135-0428-8802

地址:辽宁省大连经济技术开发区现代城3栋-13-13号

在线客服系统