轴承专区
Bearings Center
51204 V/HR22Q2轴承-SKF 51204 V/HR22Q2轴承尺寸、图纸、价格
SKF 51204 V/HR22Q2轴承
| 产品名称: | 51204 V/HR22Q2轴承 | 品牌: | SKF |
|---|---|---|---|
| 类型: | SKF轴承 > 滚动轴承 > 工程产品 | ||
| 描述: | 51204 V/HR22Q2轴承是【SKF轴承 > 滚动轴承 > 工程产品】的型号,主要用在内燃机、机床主轴、纺织机械传动轴、汽车、轧钢机辊道子、耕耘机、挤压机、饮料设备、平地机、抓钢机等各大领域 | ||
电话/微信:138-8949-5179
SKF 51204 V/HR22Q2轴承详细信息
51204 V/HR22Q2轴承是【SKF轴承 > 滚动轴承 > 工程产品】的型号,主要用在内燃机、机床主轴、纺织机械传动轴、汽车、轧钢机辊道子、耕耘机、挤压机、饮料设备、平地机、抓钢机等各大领域。
SKF 51204 V/HR22Q2轴承详细参数
| 聚合物球轴承,推力球轴承, PP/PP/glass/PP | ||||||||
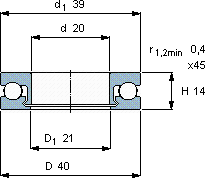
| 主要数据尺寸 | 负荷能力 | 额定速度 | 体积 | 型号 | ||||
| d | D | B | 动态1) | 静态2) | 最大3) | 最大 | - | |
| 1) above 50 °C and/or above 20 % | 3) Consider load carrying | |||||||
| of max speed rating consider | capability reduction according | |||||||
| 2) above 50 °C consider | ||||||||
| mm | kN | r/min | kg | - | ||||
| 20 | 40 | 14 | 0,75 | 0,6 | 420 | 0,016 | 51204 V/HR22Q2 | |
SKF 51204 V/HR22Q2轴承尺寸图纸

