李工:138-8949-5179 刘工:135-0428-8802
型号查询
轴承型号   常见搜索: 6009轴承 32313轴承 6304轴承 6002轴承 6022轴承 6008轴承
型号查询 X

轴承专区

Bearings Center

313 NR轴承-SKF 313 NR轴承尺寸、图纸、价格

SKF 313 NR轴承

产品名称:313 NR轴承 品牌:SKF
类型:SKF轴承 > 滚动轴承 > 深沟球轴承
描述:313 NR轴承是【SKF轴承 > 滚动轴承 > 深沟球轴承】的型号,主要用在仪表、差速器小齿轮轴、发电机、小齿轮轴、减速装置、机床等的变速装置、碾煤机、电子、工程船舶、钢包回转台等各大领域

 电话/微信:138-8949-5179

SKF 313 NR轴承详细信息

313 NR轴承是【SKF轴承 > 滚动轴承 > 深沟球轴承】的型号,主要用在仪表、差速器小齿轮轴、发电机、小齿轮轴、减速装置、机床等的变速装置、碾煤机、电子、工程船舶、钢包回转台等各大领域。

SKF 313 NR轴承详细参数

深沟球轴承, 单列,带装球缺口和止动环槽, 无密封件
主要数据尺寸基本负荷额定值疲劳负荷限值额定速度体积型号
动态静态参照速度限制速度轴承,带止动环止动环
dDBCC0Pu
mmkNkNr/minkg-
6514033102903,75900056002,30313 NRSP 140

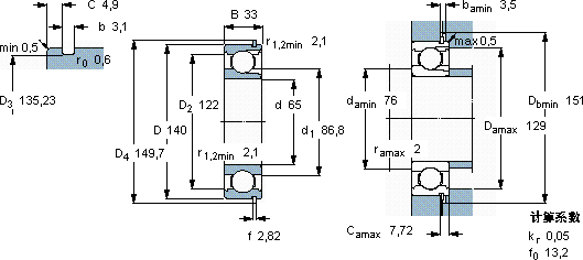
SKF 313 NR轴承尺寸图纸

李工:138-8949-5179

刘工:135-0428-8802

地址:辽宁省大连经济技术开发区现代城3栋-13-13号

在线客服系统