李工:138-8949-5179 刘工:135-0428-8802
型号查询
轴承型号   常见搜索: 6012轴承 6021轴承 6022轴承 6006轴承 6026轴承 7014轴承
型号查询 X

轴承专区

Bearings Center

360476 A轴承-SKF 360476 A轴承尺寸、图纸、价格

SKF 360476 A轴承

产品名称:360476 A轴承 品牌:SKF
类型:SKF轴承 > 滚动轴承 > 深沟球轴承
描述:360476 A轴承是【SKF轴承 > 滚动轴承 > 深沟球轴承】的型号,主要用在电气装置部件、机床主轴、泵、汽车、轧钢机辊道子、汽车转向销、船舶用螺旋桨轴、烟草机械、掘进机、摩天轮等各大领域

 电话/微信:138-8949-5179

SKF 360476 A轴承详细信息

360476 A轴承是【SKF轴承 > 滚动轴承 > 深沟球轴承】的型号,主要用在电气装置部件、机床主轴、泵、汽车、轧钢机辊道子、汽车转向销、船舶用螺旋桨轴、烟草机械、掘进机、摩天轮等各大领域。

SKF 360476 A轴承详细参数

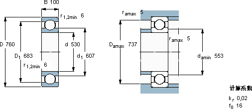
深沟球轴承, 单列, 于外圈的一个带定位槽
主要数据尺寸基本负荷额定值疲劳负荷限值额定速度体积型号
动态静态参照速度限制速度
dDBCC0Pu
mmkNkNr/minkg-
530760100585112018,615001300150360476 A

SKF 360476 A轴承尺寸图纸

李工:138-8949-5179

刘工:135-0428-8802

地址:辽宁省大连经济技术开发区现代城3栋-13-13号

在线客服系统