轴承专区
Bearings Center
351830轴承-SKF 351830轴承尺寸、图纸、价格
SKF 351830轴承
| 产品名称: | 351830轴承 | 品牌: | SKF |
|---|---|---|---|
| 类型: | SKF轴承 > 滚动轴承 > 角接触推力球轴承 | ||
| 描述: | 351830轴承是【SKF轴承 > 滚动轴承 > 角接触推力球轴承】的型号,主要用在内燃机、空气压缩机、减速装置、大型农业机械、振动筛、耕耘机、挤压机、制鞋、平地机、数控设备等各大领域 | ||
电话/微信:138-8949-5179
SKF 351830轴承详细信息
351830轴承是【SKF轴承 > 滚动轴承 > 角接触推力球轴承】的型号,主要用在内燃机、空气压缩机、减速装置、大型农业机械、振动筛、耕耘机、挤压机、制鞋、平地机、数控设备等各大领域。
SKF 351830轴承详细参数
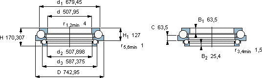
| 角接触推力球轴承, 双向 | |||||||||||
| 主要数据尺寸 | 基本负荷额定值 | 疲劳负荷限值 [kN] | 体积 | 型号 | |||||||
| 上轴承 | 下轴承 | 上数值 | 下数值 | ||||||||
| 动态 | 静态 | 动态 | 静态 | ||||||||
| d | D | H | C | C0 | C | C0 | Pu | Pu | |||
| mm | kN | kN | kN | kg | - | ||||||
| 507,95 | 742,95 | 170,307 | 930 | 3750 | 335 | 1700 | 64 | 26,5 | 185 | 351830 | |
SKF 351830轴承尺寸图纸

