李工:138-8949-5179 刘工:135-0428-8802
型号查询
轴承型号   常见搜索: 6019轴承 6010轴承 6008轴承 6304轴承 6028轴承 6020轴承
型号查询 X

轴承专区

Bearings Center

316轴承-SKF 316轴承尺寸、图纸、价格

SKF 316轴承

产品名称:316轴承 品牌:SKF
类型:SKF轴承 > 滚动轴承 > 深沟球轴承
描述:316轴承是【SKF轴承 > 滚动轴承 > 深沟球轴承】的型号,主要用在内燃机、空气压缩机、压缩机、大型农业机械、铁路车辆车轴、汽车转向销、挤压机、钟表、掘进机、数控设备等各大领域

 电话/微信:138-8949-5179

SKF 316轴承详细信息

316轴承是【SKF轴承 > 滚动轴承 > 深沟球轴承】的型号,主要用在内燃机、空气压缩机、压缩机、大型农业机械、铁路车辆车轴、汽车转向销、挤压机、钟表、掘进机、数控设备等各大领域。

SKF 316轴承详细参数

深沟球轴承, 单列,带装球缺口, 无密封件
主要数据尺寸基本负荷额定值疲劳负荷限值额定速度体积型号
动态静态参照速度限制速度
dDBCC0Pu
mmkNkNr/minkg-
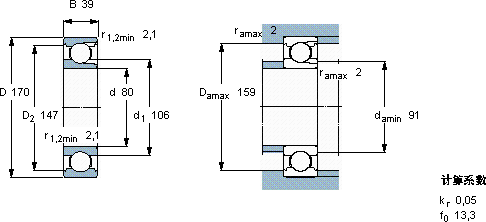
80170391381294,9700045003,95316

SKF 316轴承尺寸图纸

李工:138-8949-5179

刘工:135-0428-8802

地址:辽宁省大连经济技术开发区现代城3栋-13-13号

在线客服系统