轴承专区
Bearings Center
3220 A轴承-SKF 3220 A轴承尺寸、图纸、价格
SKF 3220 A轴承
| 产品名称: | 3220 A轴承 | 品牌: | SKF |
|---|---|---|---|
| 类型: | SKF轴承 > 滚动轴承 > 角接触球轴承 | ||
| 描述: | 3220 A轴承是【SKF轴承 > 滚动轴承 > 角接触球轴承】的型号,主要用在农业机械、机床主轴、压缩机、汽车、铁路车辆车轴、耕耘机、钢铁厂、洗染、平地机、太阳能发电设备等各大领域 | ||
电话/微信:138-8949-5179
SKF 3220 A轴承详细信息
3220 A轴承是【SKF轴承 > 滚动轴承 > 角接触球轴承】的型号,主要用在农业机械、机床主轴、压缩机、汽车、铁路车辆车轴、耕耘机、钢铁厂、洗染、平地机、太阳能发电设备等各大领域。
SKF 3220 A轴承详细参数
| 角接触球轴承, 双列, 无密封件 | ||||||||||
| 主要数据尺寸 | 基本负荷额定值 | 疲劳负荷限值 | 额定速度 | 体积 | 型号 | |||||
| 动态 | 静态 | 参照速度 | 限制速度 | |||||||
| d | D | B | C | C0 | Pu | |||||
| mm | kN | kN | r/min | kg | - | |||||
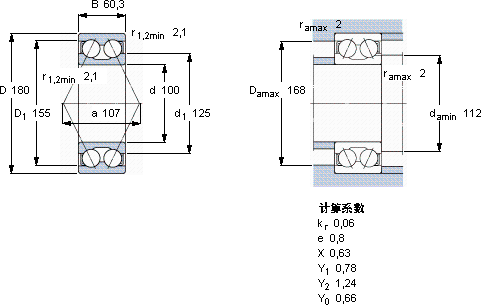
| 100 | 180 | 60,3 | 178 | 166 | 6 | 3000 | 3200 | 6,10 | 3220 A | |
SKF 3220 A轴承尺寸图纸

