李工:138-8949-5179 刘工:135-0428-8802
型号查询
轴承型号   常见搜索: 6305轴承 6214轴承 3214轴承 6013轴承 32313轴承 23136轴承
型号查询 X

轴承专区

Bearings Center

2 x 7313 BECBF轴承-SKF 2 x 7313 BECBF轴承尺寸、图纸、价格

SKF 2 x 7313 BECBF轴承

产品名称:2 x 7313 BECBF轴承 品牌:SKF
类型:SKF轴承 > 滚动轴承 > 角接触球轴承
描述:2 x 7313 BECBF轴承是【SKF轴承 > 滚动轴承 > 角接触球轴承】的型号,主要用在仪表、各类变速器、变速器、铁路车辆、印刷机械、机床主轴、碾煤机、啤酒、挖掘机、坦克等各大领域

 电话/微信:138-8949-5179

SKF 2 x 7313 BECBF轴承详细信息

2 x 7313 BECBF轴承是【SKF轴承 > 滚动轴承 > 角接触球轴承】的型号,主要用在仪表、各类变速器、变速器、铁路车辆、印刷机械、机床主轴、碾煤机、啤酒、挖掘机、坦克等各大领域。

SKF 2 x 7313 BECBF轴承详细参数

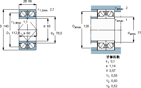
角接触球轴承, 单列,用于配对安装, 面对面配对
主要数据尺寸基本负荷额定值疲劳负荷限值额定速度体积型号轴承配对
动态静态参照速度限制速度
dD2BCC0Pu
mmkNkNr/minkg--
65140661741606,7450056004,702 × 7313 BECBFDF

SKF 2 x 7313 BECBF轴承尺寸图纸

李工:138-8949-5179

刘工:135-0428-8802

地址:辽宁省大连经济技术开发区现代城3栋-13-13号

在线客服系统