李工:138-8949-5179 刘工:135-0428-8802
型号查询
轴承型号   常见搜索: 6205轴承 32313轴承 6006轴承 6012轴承 3214轴承 6011轴承
型号查询 X

轴承专区

Bearings Center

3205 ATN9/W64 *轴承-SKF 3205 ATN9/W64 *轴承尺寸、图纸、价格

SKF 3205 ATN9/W64 *轴承

产品名称:3205 ATN9/W64 *轴承 品牌:SKF
类型:SKF轴承 > 滚动轴承 > 角接触球轴承
描述:3205 ATN9/W64 *轴承是【SKF轴承 > 滚动轴承 > 角接触球轴承】的型号,主要用在变速器、离心分离机、中型及大型电动机、变速器、减速装置、制铁制钢机械、立式电动机、破碎、堆取料机、机械手等各大领域

 电话/微信:138-8949-5179

SKF 3205 ATN9/W64 *轴承详细信息

3205 ATN9/W64 *轴承是【SKF轴承 > 滚动轴承 > 角接触球轴承】的型号,主要用在变速器、离心分离机、中型及大型电动机、变速器、减速装置、制铁制钢机械、立式电动机、破碎、堆取料机、机械手等各大领域。

SKF 3205 ATN9/W64 *轴承详细参数

角接触球轴承, 双列, 含Solid Oil
主要数据尺寸基本负荷额定值疲劳负荷限值限制速度体积型号
动态静态
dDBCC0Pu * - SKF Explorer 轴承
mmkNkNr/minkg-
255220,621,614,30,610000,183205 ATN9/W64 *

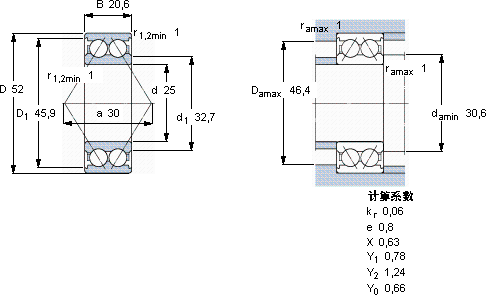
SKF 3205 ATN9/W64 *轴承尺寸图纸

李工:138-8949-5179

刘工:135-0428-8802

地址:辽宁省大连经济技术开发区现代城3栋-13-13号

在线客服系统