李工:138-8949-5179 刘工:135-0428-8802
型号查询
轴承型号   常见搜索: 6001轴承 6900轴承 6005轴承 6016轴承 71913轴承 6028轴承
型号查询 X

轴承专区

Bearings Center

319307 C轴承-SKF 319307 C轴承尺寸、图纸、价格

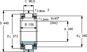
SKF 319307 C轴承

产品名称:319307 C轴承 品牌:SKF
类型:SKF轴承 > 滚动轴承 > 圆柱滚子轴承
描述:319307 C轴承是【SKF轴承 > 滚动轴承 > 圆柱滚子轴承】的型号,主要用在农业机械、燃汽轮机、发电机、后轮、木工机械、起重机吊钩、钢铁厂、音像设备、强夯机、刮泥机等各大领域

 电话/微信:138-8949-5179

SKF 319307 C轴承详细信息

319307 C轴承是【SKF轴承 > 滚动轴承 > 圆柱滚子轴承】的型号,主要用在农业机械、燃汽轮机、发电机、后轮、木工机械、起重机吊钩、钢铁厂、音像设备、强夯机、刮泥机等各大领域。

SKF 319307 C轴承详细参数

圆柱滚子轴承, 剖分式单列
主要数据尺寸基本负荷额定值疲劳负荷限值径向内部游隙体积型号
动态静态
dDBCCC0Pu最小最大
mmkNkNmmkg-
24044015690,5132020401930,1050,165105319307 C

SKF 319307 C轴承尺寸图纸

李工:138-8949-5179

刘工:135-0428-8802

地址:辽宁省大连经济技术开发区现代城3栋-13-13号

在线客服系统