李工:138-8949-5179 刘工:135-0428-8802
型号查询
轴承型号   常见搜索: 6906轴承 6013轴承 2026轴承 2025轴承 6016轴承 6007轴承
型号查询 X

轴承专区

Bearings Center

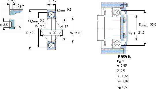
QJ 203 N2MA *轴承-SKF QJ 203 N2MA *轴承尺寸、图纸、价格

SKF QJ 203 N2MA *轴承

产品名称:QJ 203 N2MA *轴承 品牌:SKF
类型:SKF轴承 > 滚动轴承 > 角接触球轴承
描述:QJ 203 N2MA *轴承是【SKF轴承 > 滚动轴承 > 角接触球轴承】的型号,主要用在电气装置部件、燃料喷射泵、变速器、齿轮减速装置、振动筛、起重机吊钩、船舶用螺旋桨轴、洗染、强夯机、伽玛等各大领域

 电话/微信:138-8949-5179

SKF QJ 203 N2MA *轴承详细信息

QJ 203 N2MA *轴承是【SKF轴承 > 滚动轴承 > 角接触球轴承】的型号,主要用在电气装置部件、燃料喷射泵、变速器、齿轮减速装置、振动筛、起重机吊钩、船舶用螺旋桨轴、洗染、强夯机、伽玛等各大领域。

SKF QJ 203 N2MA *轴承详细参数

角接触球轴承, 四点接触球轴承
主要数据尺寸基本负荷额定值疲劳负荷限值额定速度体积型号
动态静态参照速度限制速度
dDBCC0Pu * - SKF Explorer 轴承
mmkNkNr/minkg-
17401215,910,60,4819000300000,082QJ 203 N2MA *

SKF QJ 203 N2MA *轴承尺寸图纸

李工:138-8949-5179

刘工:135-0428-8802

地址:辽宁省大连经济技术开发区现代城3栋-13-13号

在线客服系统