李工:138-8949-5179 刘工:135-0428-8802
型号查询
轴承型号   常见搜索: 6014轴承 6900轴承 6906轴承 *轴承 32313轴承 6205轴承
型号查询 X

轴承专区

Bearings Center

SILA 70 TXE-2LS轴承-SKF SILA 70 TXE-2LS轴承尺寸、图纸、价格

SKF SILA 70 TXE-2LS轴承

产品名称:SILA 70 TXE-2LS轴承 品牌:SKF
类型:SKF轴承 > 球面滑动轴承和杆端关节轴承 > 免维护的杆端关节轴承
描述:SILA 70 TXE-2LS轴承是【SKF轴承 > 球面滑动轴承和杆端关节轴承 > 免维护的杆端关节轴承】的型号,主要用在通用电动机、罗茨鼓风机、挖土机履带轮、建筑机械、减速装置、制铁制钢机械、轧钢机轧制螺杆用减速机、洗染、起重机械、机场加油机等各大领域

 电话/微信:138-8949-5179

SKF SILA 70 TXE-2LS轴承详细信息

SILA 70 TXE-2LS轴承是【SKF轴承 > 球面滑动轴承和杆端关节轴承 > 免维护的杆端关节轴承】的型号,主要用在通用电动机、罗茨鼓风机、挖土机履带轮、建筑机械、减速装置、制铁制钢机械、轧钢机轧制螺杆用减速机、洗染、起重机械、机场加油机等各大领域。

SKF SILA 70 TXE-2LS轴承详细参数

免维护杆端, 阴螺纹, 钢/PTFE织物 , 两面密封件
主要数据尺寸角度倾的基本负荷额定值质量型号
动态静态轴承座完全与密封件
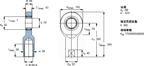
dd2Bd3C1h1±CC0
6H
mm度数kNkg-
7016249M 56x443200688053010,5SILA 70 TXE-2LS

SKF SILA 70 TXE-2LS轴承尺寸图纸

李工:138-8949-5179

刘工:135-0428-8802

地址:辽宁省大连经济技术开发区现代城3栋-13-13号

在线客服系统