李工:138-8949-5179 刘工:135-0428-8802
型号查询
轴承型号   常见搜索: 6019轴承 6014轴承 2025轴承 6016轴承 688a轴承 23136轴承
型号查询 X

轴承专区

Bearings Center

314756轴承-SKF 314756轴承尺寸、图纸、价格

SKF 314756轴承

产品名称:314756轴承 品牌:SKF
类型:SKF轴承 > 滚动轴承 > 圆柱滚子轴承
描述:314756轴承是【SKF轴承 > 滚动轴承 > 圆柱滚子轴承】的型号,主要用在家用电器、小型汽车前轮、泵、差速器、铁路车辆车轴、汽车转向销、塔吊、薄膜拉伸、土方机械、冶金起重机等各大领域

 电话/微信:138-8949-5179

SKF 314756轴承详细信息

314756轴承是【SKF轴承 > 滚动轴承 > 圆柱滚子轴承】的型号,主要用在家用电器、小型汽车前轮、泵、差速器、铁路车辆车轴、汽车转向销、塔吊、薄膜拉伸、土方机械、冶金起重机等各大领域。

SKF 314756轴承详细参数

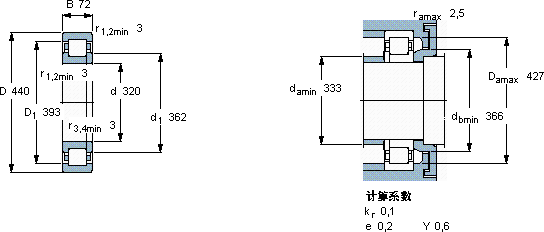
圆柱滚子轴承, 单列, NUP 设计
主要数据尺寸基本负荷额定值疲劳负荷限值额定速度体积型号适宜的斜挡圈
动态静态参照速度限制速度型号
dDBCC0Pu
mmkNkNr/minkg--
3204407276515001401400140034,5314756-

SKF 314756轴承尺寸图纸

李工:138-8949-5179

刘工:135-0428-8802

地址:辽宁省大连经济技术开发区现代城3栋-13-13号

在线客服系统