轴承专区
Bearings Center
16016/W64 *轴承-SKF 16016/W64 *轴承尺寸、图纸、价格
SKF 16016/W64 *轴承
| 产品名称: | 16016/W64 *轴承 | 品牌: | SKF |
|---|---|---|---|
| 类型: | SKF轴承 > 滚动轴承 > 深沟球轴承 | ||
| 描述: | 16016/W64 *轴承是【SKF轴承 > 滚动轴承 > 深沟球轴承】的型号,主要用在燃汽轮机、各类变速器、木工机械、铁路车辆、减速装置、机床等的变速装置、电机厂、破碎、工程船舶、抓钢机等各大领域 | ||
电话/微信:138-8949-5179
SKF 16016/W64 *轴承详细信息
16016/W64 *轴承是【SKF轴承 > 滚动轴承 > 深沟球轴承】的型号,主要用在燃汽轮机、各类变速器、木工机械、铁路车辆、减速装置、机床等的变速装置、电机厂、破碎、工程船舶、抓钢机等各大领域。
SKF 16016/W64 *轴承详细参数
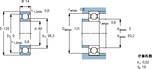
| 深沟球轴承, 单列, 含Solid Oil, 无密封件 | |||||||||
| 主要数据尺寸 | 基本负荷额定值 | 疲劳负荷限值 | 限制速度 | 体积 | 型号 | ||||
| 动态 | 静态 | ||||||||
| d | D | B | C | C0 | Pu | * - SKF Explorer 轴承 | |||
| mm | kN | kN | r/min | kg | - | ||||
| 80 | 125 | 14 | 35,1 | 31,5 | 1,32 | 3000 | 0,6 | 16016/W64 * | |
SKF 16016/W64 *轴承尺寸图纸

