李工:138-8949-5179 刘工:135-0428-8802
型号查询
轴承型号   常见搜索: 6021轴承 6006轴承 6010轴承 6005轴承 6022轴承 6016轴承
型号查询 X

轴承专区

Bearings Center

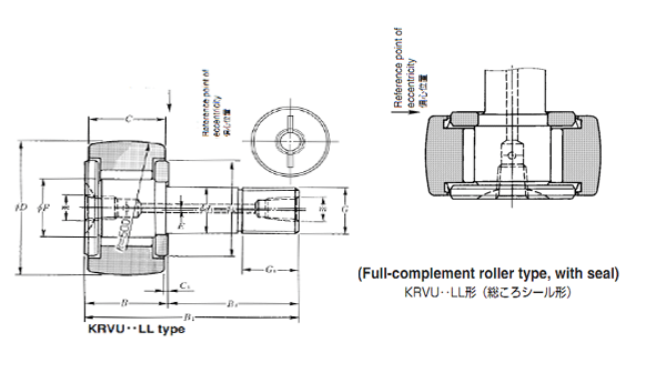
KRVU22XLL/3AS轴承-NTN KRVU22XLL/3AS轴承尺寸、图纸、价格

NTN KRVU22XLL/3AS轴承

产品名称:KRVU22XLL/3AS轴承 品牌:NTN
类型:NTN轴承 > 滚轮轴承 > 螺栓滚轮
描述:KRVU22XLL/3AS轴承是【NTN轴承 > 滚轮轴承 > 螺栓滚轮】的型号,主要用在建筑机械、各类变速器、中型及大型电动机、铁路车辆、轧钢机齿轮箱座、机床等的变速装置、成形机、制鞋、压路机、港口起重机等各大领域

 电话/微信:138-8949-5179

NTN KRVU22XLL/3AS轴承详细信息

KRVU22XLL/3AS轴承是【NTN轴承 > 滚轮轴承 > 螺栓滚轮】的型号,主要用在建筑机械、各类变速器、中型及大型电动机、铁路车辆、轧钢机齿轮箱座、机床等的变速装置、成形机、制鞋、压路机、港口起重机等各大领域。

NTN KRVU22XLL/3AS轴承详细参数

轴承
型号KRVU22XLL/3AS
主要尺寸(mm)
D22
d110
C12
F12
B13
B136
B223
GM10×1.25
G112
E0.3
C10.6
mM4X0.7
e17
基本额定负荷
Cr8200
Cor840
Cr14000
Cor1420
Loadratingsoftruck
球面外环1690
圆柱外环172
球面外环5150
圆柱外环525
润滑
grease8500
oil11000
最大拧紧扭矩
N.m14
kgf.m1.4
重量
kg0.047
螺柱直径
mm10

NTN KRVU22XLL/3AS轴承尺寸图纸

李工:138-8949-5179

刘工:135-0428-8802

地址:辽宁省大连经济技术开发区现代城3栋-13-13号

在线客服系统