李工:138-8949-5179 刘工:135-0428-8802
型号查询
轴承型号   常见搜索: 6013轴承 6001轴承 32313轴承 *轴承 6021轴承 6305轴承
型号查询 X

轴承专区

Bearings Center

312轴承-SKF 312轴承尺寸、图纸、价格

SKF 312轴承

产品名称:312轴承 品牌:SKF
类型:SKF轴承 > 滚动轴承 > 深沟球轴承
描述:312轴承是【SKF轴承 > 滚动轴承 > 深沟球轴承】的型号,主要用在农业机械、空气压缩机、纺织机械传动轴、大型农业机械、木工机械、汽车转向销、钢铁厂、破碎、土方机械、刮泥机等各大领域

 电话/微信:138-8949-5179

SKF 312轴承详细信息

312轴承是【SKF轴承 > 滚动轴承 > 深沟球轴承】的型号,主要用在农业机械、空气压缩机、纺织机械传动轴、大型农业机械、木工机械、汽车转向销、钢铁厂、破碎、土方机械、刮泥机等各大领域。

SKF 312轴承详细参数

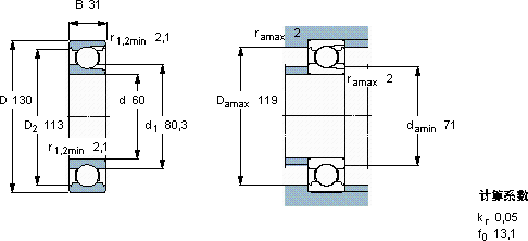
深沟球轴承, 单列,带装球缺口, 无密封件
主要数据尺寸基本负荷额定值疲劳负荷限值额定速度体积型号
动态静态参照速度限制速度
dDBCC0Pu
mmkNkNr/minkg-
601303191,3783,35950060001,85312

SKF 312轴承尺寸图纸

李工:138-8949-5179

刘工:135-0428-8802

地址:辽宁省大连经济技术开发区现代城3栋-13-13号

在线客服系统