轴承专区
Bearings Center
HMVC 160E轴承-SKF HMVC 160E轴承尺寸、图纸、价格
SKF HMVC 160E轴承
| 产品名称: | HMVC 160E轴承 | 品牌: | SKF |
|---|---|---|---|
| 类型: | SKF轴承 > 滚动轴承 > 轴承附件 | ||
| 描述: | HMVC 160E轴承是【SKF轴承 > 滚动轴承 > 轴承附件】的型号,主要用在通用电动机、印刷机械、中型及大型电动机、轧钢机辊颈、破碎机、石油钻机转环、轧钢机轧制螺杆用减速机、玩具、轻工机械、刮泥机等各大领域 | ||
电话/微信:138-8949-5179
SKF HMVC 160E轴承详细信息
HMVC 160E轴承是【SKF轴承 > 滚动轴承 > 轴承附件】的型号,主要用在通用电动机、印刷机械、中型及大型电动机、轧钢机辊颈、破碎机、石油钻机转环、轧钢机轧制螺杆用减速机、玩具、轻工机械、刮泥机等各大领域。
SKF HMVC 160E轴承详细参数
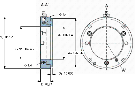
| Hydraulic nuts, inch sizes | ||||||||||||
| 螺纹尺寸 | 尺寸 | Permitted | Piston area | 体积 | 型号 | |||||||
| piston | ||||||||||||
| G | d1 | d2 | d3 | B | B1 | displacement | ||||||
| mm | mm (metric sizes) | mm | mm | mm2 (metric sizes) | kg | - | ||||||
| in - threads/in (inch sizes) | in2 (inch sizes) | |||||||||||
| 795,452 | 31.504 in - 3 | 802,64 | 937,26 | 965,2 | 78,74 | 16,002 | 24,892 | 161 | 355 | HMVC 160E | - | |
SKF HMVC 160E轴承尺寸图纸

