李工:138-8949-5179 刘工:135-0428-8802
型号查询
轴承型号   常见搜索: 6015轴承 6006轴承 6909轴承 6007轴承 6214轴承 6032轴承
型号查询 X

轴承专区

Bearings Center

312-2Z轴承-SKF 312-2Z轴承尺寸、图纸、价格

SKF 312-2Z轴承

产品名称:312-2Z轴承 品牌:SKF
类型:SKF轴承 > 滚动轴承 > 深沟球轴承
描述:312-2Z轴承是【SKF轴承 > 滚动轴承 > 深沟球轴承】的型号,主要用在各种产业机械、各类变速器、中型及大型电动机、铁路车辆、各类产业用减速机、机床主轴、发电厂、陶瓷机械、挖掘机、塔式车库等各大领域

 电话/微信:138-8949-5179

SKF 312-2Z轴承详细信息

312-2Z轴承是【SKF轴承 > 滚动轴承 > 深沟球轴承】的型号,主要用在各种产业机械、各类变速器、中型及大型电动机、铁路车辆、各类产业用减速机、机床主轴、发电厂、陶瓷机械、挖掘机、塔式车库等各大领域。

SKF 312-2Z轴承详细参数

深沟球轴承, 单列,带装球缺口, 两面防尘罩
主要数据尺寸基本负荷额定值疲劳负荷限值额定速度体积型号
动态静态参照速度限制速度
dDBCC0Pu
mmkNkNr/minkg-
601303191,3783,35950048001,85312-2Z

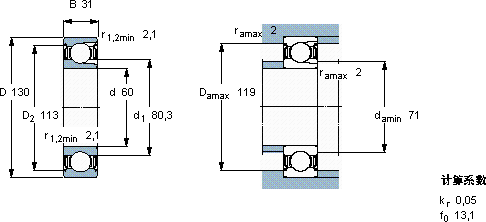
SKF 312-2Z轴承尺寸图纸

李工:138-8949-5179

刘工:135-0428-8802

地址:辽宁省大连经济技术开发区现代城3栋-13-13号

在线客服系统