轴承专区
Bearings Center
HMV 86E轴承-SKF HMV 86E轴承尺寸、图纸、价格
SKF HMV 86E轴承
| 产品名称: | HMV 86E轴承 | 品牌: | SKF |
|---|---|---|---|
| 类型: | SKF轴承 > 滚动轴承 > 轴承附件 | ||
| 描述: | HMV 86E轴承是【SKF轴承 > 滚动轴承 > 轴承附件】的型号,主要用在各种产业机械、高频马达、变速器、前轮、减速装置、机床等的变速装置、发电厂、玩具、工程船舶、冶金起重机等各大领域 | ||
电话/微信:138-8949-5179
SKF HMV 86E轴承详细信息
HMV 86E轴承是【SKF轴承 > 滚动轴承 > 轴承附件】的型号,主要用在各种产业机械、高频马达、变速器、前轮、减速装置、机床等的变速装置、发电厂、玩具、工程船舶、冶金起重机等各大领域。
SKF HMV 86E轴承详细参数
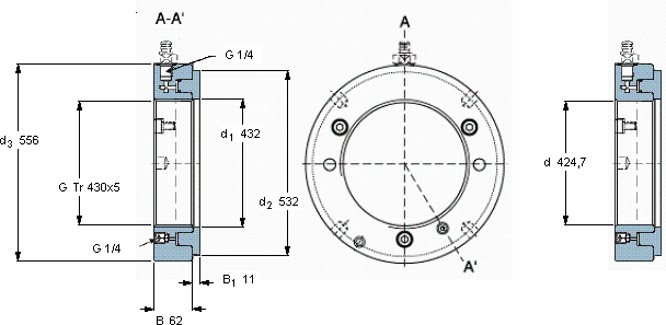
| Hydraulic nuts, metric sizes | ||||||||||||
| 螺纹尺寸 | 尺寸 | Permitted | Piston area | 体积 | 型号 | |||||||
| piston | ||||||||||||
| G | d1 | d2 | d3 | B | B1 | displacement | ||||||
| mm | mm (metric sizes) | mm | mm | mm2 (metric sizes) | kg | - | ||||||
| in - threads/in (inch sizes) | in2 (inch sizes) | |||||||||||
| 430 | Tr 430x5 | 432 | 532 | 556 | 62 | 11 | 17 | 40800 | 52,5 | HMV 86E | HMV 86E/A101 | |
SKF HMV 86E轴承尺寸图纸

