轴承专区
Bearings Center
307101 C轴承-SKF 307101 C轴承尺寸、图纸、价格
SKF 307101 C轴承
| 产品名称: | 307101 C轴承 | 品牌: | SKF |
|---|---|---|---|
| 类型: | SKF轴承 > 滚动轴承 > 角接触球轴承 | ||
| 描述: | 307101 C轴承是【SKF轴承 > 滚动轴承 > 角接触球轴承】的型号,主要用在家用电器、小型汽车前轮、变速器、差速器、轧钢机辊道子、耕耘机、塔吊、电子、地基处理机械、冶金起重机等各大领域 | ||
电话/微信:138-8949-5179
SKF 307101 C轴承详细信息
307101 C轴承是【SKF轴承 > 滚动轴承 > 角接触球轴承】的型号,主要用在家用电器、小型汽车前轮、变速器、差速器、轧钢机辊道子、耕耘机、塔吊、电子、地基处理机械、冶金起重机等各大领域。
SKF 307101 C轴承详细参数
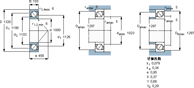
| 角接触球轴承, 单列 | |||||||||||
| 主要数据尺寸 | 尺寸 [英寸] | 疲劳负荷限值 | 额定速度 | 体积 | 型号 | ||||||
| 动态 | 静态 | 参照速度 | 限制速度 | ||||||||
| d | D | B | C | C0 | Pu | ||||||
| mm | kN | kN | r/min | kg | - | ||||||
| 1000 | 1320 | 103 | 832 | 2450 | 34,5 | 340 | 360 | 370 | 307101 C | ||
SKF 307101 C轴承尺寸图纸

