轴承专区
Bearings Center
7210 BEP轴承-SKF 7210 BEP轴承尺寸、图纸、价格
SKF 7210 BEP轴承
| 产品名称: | 7210 BEP轴承 | 品牌: | SKF |
|---|---|---|---|
| 类型: | SKF轴承 > 滚动轴承 > 角接触球轴承 | ||
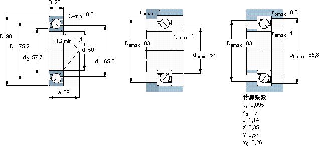
| 描述: | 7210 BEP轴承是【SKF轴承 > 滚动轴承 > 角接触球轴承】的型号,主要用在各种产业机械、高频马达、桥式起重机、前轮、破碎机、机床等的变速装置、发电厂、破碎、工程船舶、冶金起重机等各大领域 | ||
电话/微信:138-8949-5179
SKF 7210 BEP轴承详细信息
7210 BEP轴承是【SKF轴承 > 滚动轴承 > 角接触球轴承】的型号,主要用在各种产业机械、高频马达、桥式起重机、前轮、破碎机、机床等的变速装置、发电厂、破碎、工程船舶、冶金起重机等各大领域。
SKF 7210 BEP轴承详细参数
| 角接触球轴承, 单列 | |||||||||||
| 主要数据尺寸 | 尺寸 [英寸] | 疲劳负荷限值 | 额定速度 | 体积 | 型号 | ||||||
| 动态 | 静态 | 参照速度 | 限制速度 | ||||||||
| d | D | B | C | C0 | Pu | ||||||
| mm | kN | kN | r/min | kg | - | ||||||
| 50 | 90 | 20 | 37,7 | 28,5 | 1,22 | 8500 | 8500 | 0,47 | 7210 BEP | ||
SKF 7210 BEP轴承尺寸图纸

