李工:138-8949-5179 刘工:135-0428-8802
型号查询
轴承型号   常见搜索: 6008轴承 6015轴承 6004轴承 6007轴承 6017轴承 6006轴承
型号查询 X

轴承专区

Bearings Center

7044 BGM轴承-SKF 7044 BGM轴承尺寸、图纸、价格

SKF 7044 BGM轴承

产品名称:7044 BGM轴承 品牌:SKF
类型:SKF轴承 > 滚动轴承 > 角接触球轴承
描述:7044 BGM轴承是【SKF轴承 > 滚动轴承 > 角接触球轴承】的型号,主要用在内燃机、小型汽车前轮、中型及大型电动机、差速器、木工机械、耕耘机、挤压机、啤酒、地基处理机械、码垛机器人等各大领域

 电话/微信:138-8949-5179

SKF 7044 BGM轴承详细信息

7044 BGM轴承是【SKF轴承 > 滚动轴承 > 角接触球轴承】的型号,主要用在内燃机、小型汽车前轮、中型及大型电动机、差速器、木工机械、耕耘机、挤压机、啤酒、地基处理机械、码垛机器人等各大领域。

SKF 7044 BGM轴承详细参数

角接触球轴承, 单列
主要数据尺寸尺寸 [英寸]疲劳负荷限值额定速度体积型号
动态静态参照速度限制速度
dDBCC0Pu
mmkNkNr/minkg-
2203405625535592000200018,07044 BGM

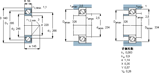
SKF 7044 BGM轴承尺寸图纸

李工:138-8949-5179

刘工:135-0428-8802

地址:辽宁省大连经济技术开发区现代城3栋-13-13号

在线客服系统