李工:138-8949-5179 刘工:135-0428-8802
型号查询
轴承型号   常见搜索: 6021轴承 6909轴承 6003轴承 6304轴承 6014轴承 6010轴承
型号查询 X

轴承专区

Bearings Center

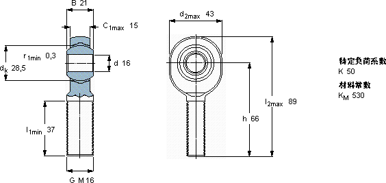
SALKB 16 F轴承-SKF SALKB 16 F轴承尺寸、图纸、价格

SKF SALKB 16 F轴承

产品名称:SALKB 16 F轴承 品牌:SKF
类型:SKF轴承 > 球面滑动轴承和杆端关节轴承 > 免维护的杆端关节轴承
描述:SALKB 16 F轴承是【SKF轴承 > 球面滑动轴承和杆端关节轴承 > 免维护的杆端关节轴承】的型号,主要用在通用电动机、印刷机械、桥式起重机、轧钢机辊颈、各类产业用减速机、石油钻机转环、轧钢机轧制螺杆用减速机、薄膜拉伸、凿岩机械、刮泥机等各大领域

 电话/微信:138-8949-5179

SKF SALKB 16 F轴承详细信息

SALKB 16 F轴承是【SKF轴承 > 球面滑动轴承和杆端关节轴承 > 免维护的杆端关节轴承】的型号,主要用在通用电动机、印刷机械、桥式起重机、轧钢机辊颈、各类产业用减速机、石油钻机转环、轧钢机轧制螺杆用减速机、薄膜拉伸、凿岩机械、刮泥机等各大领域。

SKF SALKB 16 F轴承详细参数

免维护杆端, 阳螺纹, 钢/PTFE复合材料
主要数据尺寸角度倾的基本负荷额定值质量型号
动态静态轴承座完全与密封件
dd2Bd3C1h±CC0
6g
mm度数kNkg-
164321M 1615661521,434,50,21SALKB 16 F

SKF SALKB 16 F轴承尺寸图纸

李工:138-8949-5179

刘工:135-0428-8802

地址:辽宁省大连经济技术开发区现代城3栋-13-13号

在线客服系统