李工:138-8949-5179 刘工:135-0428-8802
型号查询
轴承型号   常见搜索: 23136轴承 6003轴承 2026轴承 6015轴承 2025轴承 6305轴承
型号查询 X

轴承专区

Bearings Center

2 x 7408 BGBM轴承-SKF 2 x 7408 BGBM轴承尺寸、图纸、价格

SKF 2 x 7408 BGBM轴承

产品名称:2 x 7408 BGBM轴承 品牌:SKF
类型:SKF轴承 > 滚动轴承 > 角接触球轴承
描述:2 x 7408 BGBM轴承是【SKF轴承 > 滚动轴承 > 角接触球轴承】的型号,主要用在内燃机、空气压缩机、中型及大型电动机、大型农业机械、铁路车辆车轴、汽车转向销、挤压机、化纤机械、掘进机、数控设备等各大领域

 电话/微信:138-8949-5179

SKF 2 x 7408 BGBM轴承详细信息

2 x 7408 BGBM轴承是【SKF轴承 > 滚动轴承 > 角接触球轴承】的型号,主要用在内燃机、空气压缩机、中型及大型电动机、大型农业机械、铁路车辆车轴、汽车转向销、挤压机、化纤机械、掘进机、数控设备等各大领域。

SKF 2 x 7408 BGBM轴承详细参数

角接触球轴承, 单列,用于配对安装, 面对面配对
主要数据尺寸基本负荷额定值疲劳负荷限值额定速度体积型号轴承配对
动态静态参照速度限制速度
dD2BCC0Pu
mmkNkNr/minkg--
4011054112903,8630080002,82 × 7408 BGBMDF

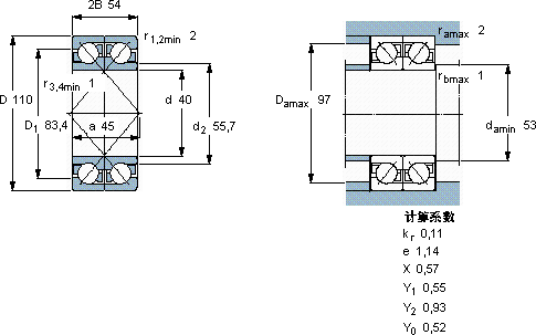
SKF 2 x 7408 BGBM轴承尺寸图纸

李工:138-8949-5179

刘工:135-0428-8802

地址:辽宁省大连经济技术开发区现代城3栋-13-13号

在线客服系统